Погода: −1 °C
05.12−5...−1пасмурно, небольшой снег
06.12−18...−12пасмурно, без осадков
  • Есть потребость закрыть доступ посторонним лицам в шкаф с коммуникациями (вентили на воду и отопление) находящийся на этажной площадке. Дело в том, что собираюсь в эту шкафушку водосчётчики ставить и водонагреватель, но сам пока в квартире не живу, и нехотелось бы чтоб скрутил кто-нибудь.
    Проём шкафа (ш х в) 1,2м х 1,7м. Неплохой вариант установить рольставни с замком (типа как окна на магазинах закрывают или вход в павильоны. Но пока натыкался на дорогие предложения, более 6 т.р. с установкой.
    КТо что подскажет. Где можно дешевше купить. Самому легко смонтировать?

  • Ставятся легко, монтаж будет накладным способом, если глубина шкафчика меньше 180мм, если больше то можно сделать внутренний монтаж.

    подпись-надпись

  • В ответ на: Ставятся легко, монтаж будет накладным способом, если глубина шкафчика меньше 180мм, если больше то можно сделать внутренний монтаж.
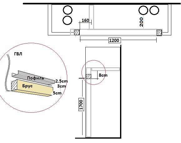
    Сама ниша по глубине 320мм.
    Стены нишы ГВЛ.
    От внутреннего края кояка и профилей образующих каркас передней стенки нишы до труб 200мм.
    По пириметру косяка проброшены профиля на расстоянии 30мм.
    К профилю идущем над верзней перемычкой стояка прикрычен поперечный профиль дающий жесткость с задней кап.стеной. (привязка центра поперечного профиля к левому стояку косяка - 16см).
    Таким образом получается, что глубина, куда можно установить конструкцию - 200мм
    А высота (если брать отнижней части верхней перемычки до поперечного профиля 80мм.

    В связи с тем, что я планирвал в эту нишу установить ещё и нагреватель воды, може есть варинат оставить рольставни вверз ногами. Т.е. поднимать из снизу и сверху запирать?
    Таким образом,

  • www.doorhan.ru
    раздел "ролетные системы"
    подраздел "Рольставни 'Собери сам' "

  • В ответ на: www.doorhan.ru
    раздел "ролетные системы"
    подраздел "Рольставни 'Собери сам' "
    В контактах, есть адрес в Москве, Питере и Владике. В Нске то где такое можно найти?

  • Евростиль рольставнями занимается

    Капитан Очевидность

  • Алютех-Сибирь делает. Есть и человечек который может заняться установкой, если нет желания связываться с фирмами

  • У меня купи...в личке цены обсудим.

    ***********************************
    "Quis custodiet ipsos custodes"

  • В ответ на: У меня купи...в личке цены обсудим.
    Предлогай.

  • Предложу. Выкладывай размеры проемов, управление, и прочие пожелания.

    ***********************************
    "Quis custodiet ipsos custodes"

  • Не знаю, что ещё по размерам сказать. Даже рисунок прикладывал.
    Размер проёма (ш х в) 1200 х 1700.
    Монтаж из нутри ниши.
    "Рукчной привод" с возможностью запрания.
    Отделка и прочее - самый эконом, т.к. видно их будет только после того как открываешь распашные дверци подъездной ниши.
    Главное ограничить доступ в нишу с коммуникациями.

  • В ответ на: В контактах, есть адрес в Москве, Питере и Владике. В Нске то где такое можно найти?
    посмотрите вниманельнее в Новосибирске они то же есть:улыб:Но 6 т.р. с монтажем это не дорого за одно изделие было бы их штук педесят, тогда бы можно было бы и поторговатьса:улыб:

  • Спасибо за советы.
    Нашёл за 3 с копейками без монтажа.

Записей на странице:

Перейти в форум

Модераторы: