есть тут небольшая задача/проблема...
Есть машин Subaru Legacy Lancaster с ватоматом, нужно получить текущую передачу

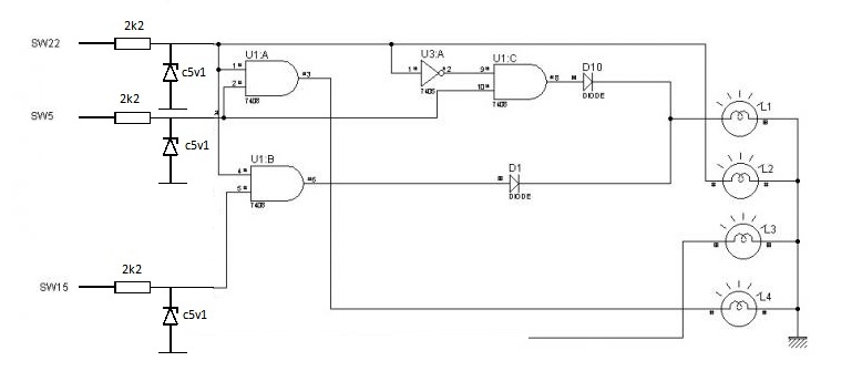
Есть документация по этой машине и судя по этой доке на некоторых выходах с мозгов автомата подается сигнал если включена определенная передача, вспомнив школьный курс информатики составил таблицу истинности, дальше нарисовал схемку из одной таблицы в другую(сигналы с соленоидов), нужную мне. Проверил, сигнал вроде есть, дальше дело за малым. Спаял схемку, проверил, при нужных комбинациях сигналов получаем нужную передачу на индикаторе. Следом подсоединяю всё это дело к мозгам автомата. Вроде даже что-то показывает. Проехался, чуствую, что коробка себя ведет как-то странно - пинается, причём пинается так, как будто переключается на 2-3 передачи вниз..
и через некоторое время загорелась цифра, которой быть не должно
остановился, померил напряжение на выходах автомата на всех логическая 1, тобишь +13 вольт.... так быть не должно
отключил свою поделку, проехался еще раз, коробка ведет себя нормально, не пинается, переключается нормально, но сигнал на всех 4х выходах с автомата осталось +13....
выходы к схеме подключаются через стабилизатор КР142ЕН5А(7805CV), для логики использовал советские К155(собственно из-за них и были стабилизаторы)... замыканий не было, чего мог спалить?
как диагностировать?











